Appelez-moi
Domestique:+86-18169817259
Oversea:+86-13790081902
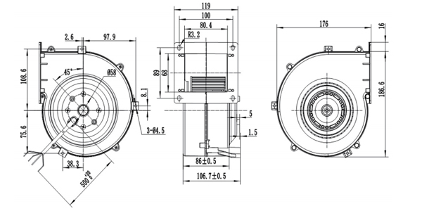
Matériel: Impulseur et boîtier en PP
Roulement: roulement à billes
Contrôle de vitesse: Shifts Robs (produit à plusieurs vitesses)
Temp de travail: -25 ~ 55 °C
Classe d'isolation: F
Classe de protection: IP44
Approbations: CCC, CE

Performance:

Point de travail | Pression statique (Pa) | Flux d'air (m3/H) | Vitesse (r/min) | Puissance (W) |
1 | 80 | 245 | 2260 | 60 |
2 | 150 | 220 | 2400 | 55 |
3 | 80 | 300 | 2200 | 75 |
4 | 150 | 265 | 2350 | 70 |
Modèle de ventilateur | Type de moteur | Tension | Puissance | Actuel | Vitesse | Flux d'air | Bruit |
(V) | (W) | (A) | (R/min) | (M3/H) | Lp:dB(A) | ||
DG120C-A092A2-01 | AM092A | AC230/50Hz | 65 | 0.28 | 1800 | 270 | 55 |
DG120C-A092A2-02 | AM092B | AC230/50Hz | 80 | 0.34 | 2200 | 340 | 62 |